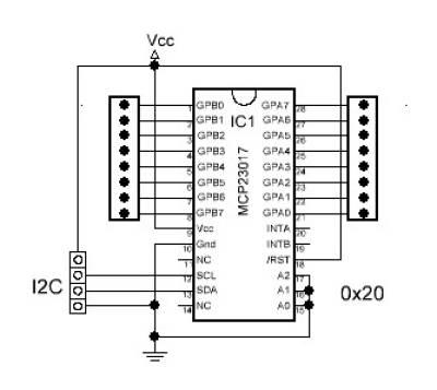
MCP23017
Pinout i podłączenie
Deklaracje
#include <Adafruit_MCP23X17.h> Adafruit_MCP23X17 mcp;
Konfigurowanie pinów
void setup() { if (!mcp.begin_I2C()) { Serial.println("MCP23017 Error"); while (true); } mcp.pinMode(numer_pinu, INPUT); mcp.pinMode(numer_pinu, OUTPUT); }
Obsługa pinów
mcp.digitalRead(numer_pinu) // odczyt (LOW, HIGH) mcp.digitalWrite(numer_pinu, HIGH); // ustawienie (LOW, HIGH)

